Aplicación
Equipo de interruptor de aislamiento de alto voltaje
Características
Alto par de arranque:Dado que el interruptor de aislamiento puede encontrar una mayor fricción debido a razones ambientales (como suciedad, hielo y nieve) durante su funcionamiento, el motor necesita tener suficiente par de arranque para superar estas fuerzas de fricción estática.
Fiabilidad: En equipos eléctricos de alto voltaje, cualquier fallo puede tener consecuencias graves. Como resultado, estos motores suelen estar diseñados para una alta fiabilidad y la capacidad de funcionar en entornos adversos, incluyendo temperaturas extremas, humedad, polvo y ambientes corrosivos.
Alto nivel de aislamiento: El interruptor de aislamiento de alto voltaje opera en un entorno de alto voltaje, por lo que el nivel de aislamiento del motor debe ser lo suficientemente alto para evitar el flashover y la ruptura por voltaje.
Diseño de larga duración: Estos motores deben estar diseñados para soportar miles de ciclos de funcionamiento para garantizar el funcionamiento estable del interruptor de aislamiento durante mucho tiempo.
Estructura compacta: Teniendo en cuenta las limitaciones de espacio del interruptor de aislamiento, el motor suele estar diseñado para ser compacto, facilitando su instalación y mantenimiento.
Protección térmica: La función de protección contra sobrecalentamiento integrada puede evitar daños al motor cuando está sobrecargado.
Cableado simple: Cableado conveniente y mantenimiento y reemplazo rápidos, ayudando a reducir el tiempo de interrupción de energía.
Diseño de doble capacitor: Los motores de capacitor monofásicos pueden usar capacitores de arranque y capacitores de funcionamiento, donde el capacitor de arranque se utiliza para aumentar el par de arranque, mientras que el capacitor de funcionamiento se utiliza para mejorar la eficiencia operativa y la salida suave.
Alta eficiencia: En condiciones de la misma potencia, los motores de capacitor están diseñados para proporcionar una mayor relación de eficiencia energética.
Funcionamiento estable: Debido al efecto de corrección de fase del capacitor, el motor puede mantener una velocidad relativamente estable durante su funcionamiento.
Fácil de controlar: El estado de funcionamiento del motor puede ajustarse cambiando la capacitancia para lograr diferentes salidas de velocidad o par.
Mantenimiento simple: En comparación con los motores trifásicos, los motores de capacitor monofásicos tienen una estructura simple y son más fáciles de mantener.
Precio relativamente económico: En comparación con los sistemas complejos de motores trifásicos, los motores de capacitor monofásicos son relativamente económicos en precio debido a su control simple y alta popularidad.
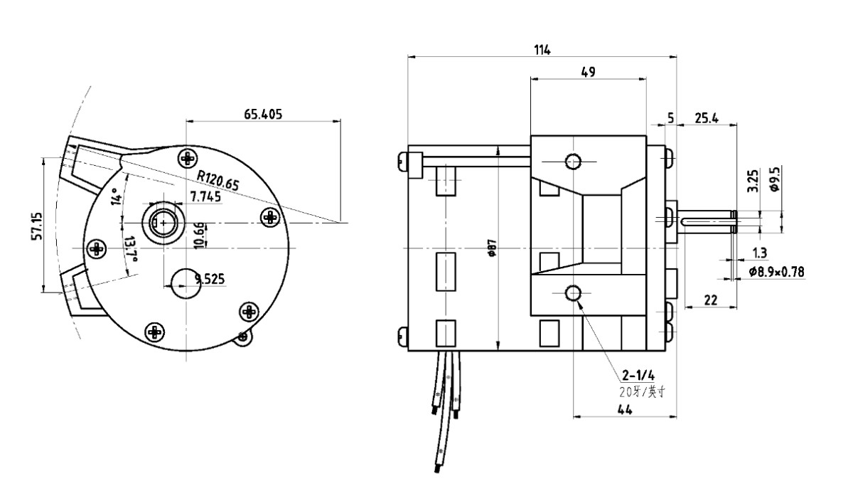
Parámetros de especificación


*Respetamos su confidencialidad y toda la información está protegida.
