Aplicación
Equipo de interruptores de aislamiento de alta tensión
Características
Alto par de arranque:Dado que el interruptor de aislamiento necesita completar la operación de apertura y cierre en un corto tiempo, el motor generalmente está diseñado con un alto par de arranque para garantizar un funcionamiento rápido y confiable.
Sistema de trabajo de corta duración: Este tipo de motor generalmente no necesita funcionar continuamente. Por lo general, trabaja durante un corto tiempo y el ciclo de trabajo es muy breve. Por lo tanto, su diseño debe considerar las necesidades de trabajo intermitente.
Nivel de protección más alto: Considerando que el motor puede trabajar al aire libre o en entornos adversos, generalmente tiene un nivel de protección más alto, como IP55, IP65, etc., para prevenir la intrusión de polvo y humedad.
Resistencia ambiental: Puede adaptarse a diferentes condiciones climáticas, como altas temperaturas, bajas temperaturas, humedad y sequedad, y puede soportar la influencia de viento, lluvia, nieve, congelación y otros entornos naturales en exteriores.
Alto nivel de aislamiento:Para adaptarse a entornos de alta tensión, este tipo de motor generalmente tiene un nivel de aislamiento más alto, como clase F, clase H, etc., para garantizar un funcionamiento seguro y estable a largo plazo.
Fiabilidad:Dado que involucra el funcionamiento seguro y estable del sistema de suministro eléctrico, la fiabilidad del motor debe ser muy alta para evitar interrupciones en el suministro debido a fallos.
Control e interfaz simples: El sistema de control del motor generalmente está diseñado para ser muy simple, fácil de integrar con sistemas de control en el sitio (como SCADA), y tiene interfaces estándar para facilitar el mantenimiento y reemplazo futuros.
Respuesta rápida: El interruptor de aislamiento de alta tensión requiere que el motor responda rápidamente a la señal de control para desconectar o conectar el circuito rápidamente.
Protección contra sobrecarga:Para prevenir la sobrecarga mecánica causada por el atasco del interruptor de aislamiento u otras razones, los motores generalmente tienen función de protección contra sobrecarga.
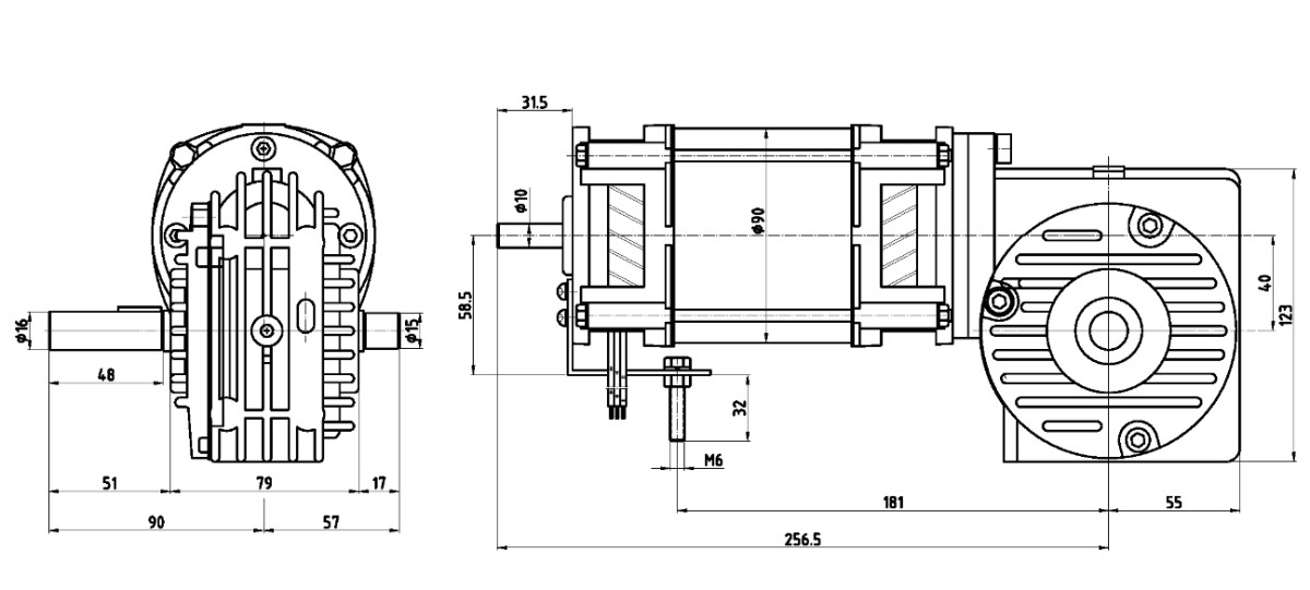
Parámetros de especificación


*Respetamos su confidencialidad y toda la información está protegida.
