
Aplicación
Disyuntor de media y alta tensión / equipo de interruptor de desconexión de media y alta tensión / equipo de interruptor de puesta a tierra / disyuntor SF6 / disyuntor de vacío de alta tensión / equipo de interruptor de desconexión GIS
Características
Amplio rango de suministro de energía:El diseño del motor es compatible con sistemas de suministro de energía de CA y CC, garantizando un funcionamiento normal incluso en entornos con condiciones de suministro de energía inestables.
Función de operación rápida: Respuesta rápida para satisfacer los requisitos de operación de apertura y cierre rápido de disyuntores e interruptores de desconexión, garantizando la seguridad y estabilidad del sistema eléctrico.
Diseño de bajo consumo energético:Adopta un diseño de ahorro de energía para reducir el consumo durante la operación.
Estructura compacta: El diseño compacto facilita la instalación en entornos con espacio limitado, como subestaciones o salas de distribución.
Buena compatibilidad: Los motores suelen diseñarse con interfaces estándar y pueden utilizarse con muchos tipos de disyuntores y equipos de conmutación.
Fácil mantenimiento: La estructura es simple, fácil de inspeccionar y reemplazar piezas dañadas, reduciendo la complejidad y el costo del mantenimiento.
Ventaja de costo: Al no utilizar imanes permanentes, este tipo de motor generalmente tiene costos de materiales más bajos. En uso prolongado, los motores sin imanes permanentes evitan el problema de la atenuación magnética y pueden reducir la frecuencia de mantenimiento y reemplazo, ahorrando costos para los usuarios.
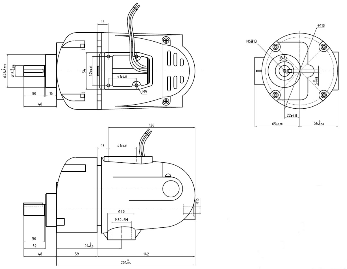
Parámetros de especificación


*Respetamos su confidencialidad y toda la información está protegida.