
Aplicación
Disyuntor de media y alta tensión / equipo de interruptor de desconexión de media y alta tensión / equipo de interruptor de puesta a tierra / disyuntor SF6 / disyuntor de vacío de alta tensión / vehículo de chasis de disyuntor
Características
Alta eficiencia: Debido al uso de materiales de imanes permanentes, se puede mantener una alta eficiencia de trabajo bajo diferentes cargas.
Estructura compacta: El reductor y el motor están integrados en el diseño, son de tamaño pequeño y fáciles de instalar en el espacio limitado del disyuntor.
Par estable: Los motores de corriente continua de imanes permanentes pueden proporcionar una salida de par suave y son adecuados para disyuntores que requieren un control preciso de la velocidad de apertura y cierre.
Buen rendimiento de arranque: El motor de escobillas tiene un gran par de arranque y puede responder rápidamente al comando de operación del disyuntor.
Vida útil más larga: Utilizando materiales de imanes permanentes de alta calidad, el eje y los engranajes están hechos de acero aleado, el motor puede tener una larga vida útil bajo uso normal.
Bajos costos de mantenimiento: Los motores de escobillas tienen una estructura simple, lo que hace que las reparaciones y el reemplazo de piezas sean relativamente fáciles y económicos.
Relación costo-beneficio: Los motores reductores de corriente continua con escobillas de imanes permanentes son ampliamente utilizados debido a su rentabilidad.
Nivel de ruido: Los motores de corriente continua con escobillas de imanes permanentes tienen niveles de ruido más bajos que los motores de corriente alterna.
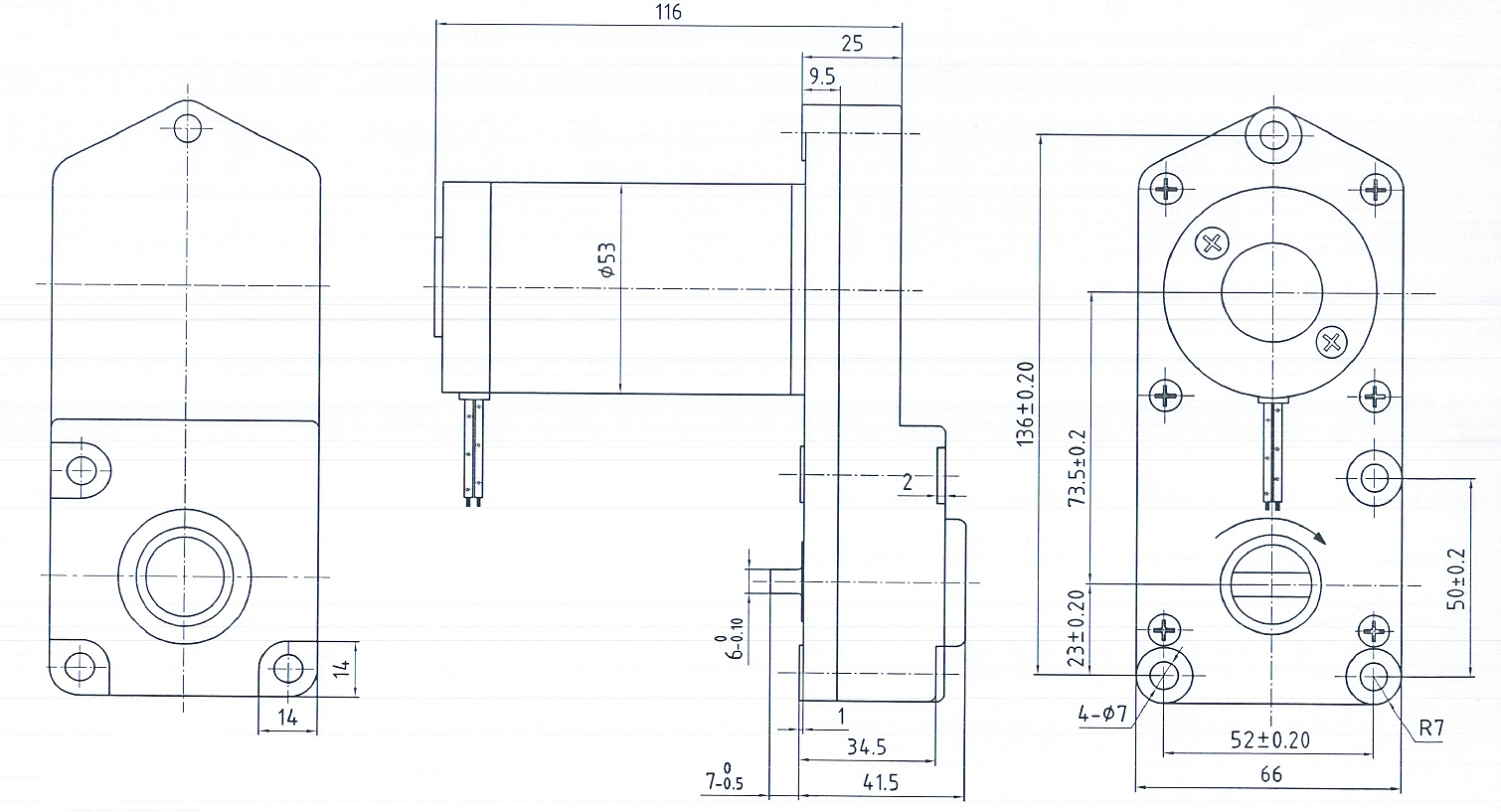
Parámetros de especificación


*Respetamos su confidencialidad y toda la información está protegida.