Aplicación
Disyuntor de media y alta tensión / equipo de interruptor de aislamiento de media y alta tensión / equipo de interruptor de puesta a tierra / disyuntor SF6 / disyuntor de vacío de alta tensión / equipo de interruptor de aislamiento GIS
Características
Amplio rango de suministro de energía: El diseño del motor es compatible con sistemas de suministro de energía CA y CC, garantizando un funcionamiento normal incluso en entornos con condiciones de suministro de energía inestables.
Función de operación rápida: Respuesta rápida para cumplir con los requisitos de operación de apertura y cierre rápido de disyuntores e interruptores de aislamiento, garantizando la seguridad y estabilidad del sistema eléctrico.
Diseño de bajo consumo de energía: Adopta un diseño de ahorro de energía para reducir el consumo durante la operación.
Estructura compacta: El diseño compacto facilita la instalación en entornos con espacio limitado, como subestaciones o salas de distribución.
Buena compatibilidad: Los motores generalmente están diseñados con interfaces estándar y pueden usarse con muchos tipos de disyuntores y equipos de conmutación.
Fácil mantenimiento: La estructura es simple, fácil de inspeccionar y reemplazar piezas dañadas, reduciendo la complejidad y el costo del mantenimiento.
Ventaja de costos: Dado que no se utilizan imanes permanentes, este tipo de motor generalmente tiene costos de material más bajos. Con el uso prolongado, los motores sin imanes permanentes evitan el problema de la atenuación magnética y pueden reducir la frecuencia de mantenimiento y reemplazo, ahorrando costos para los usuarios.
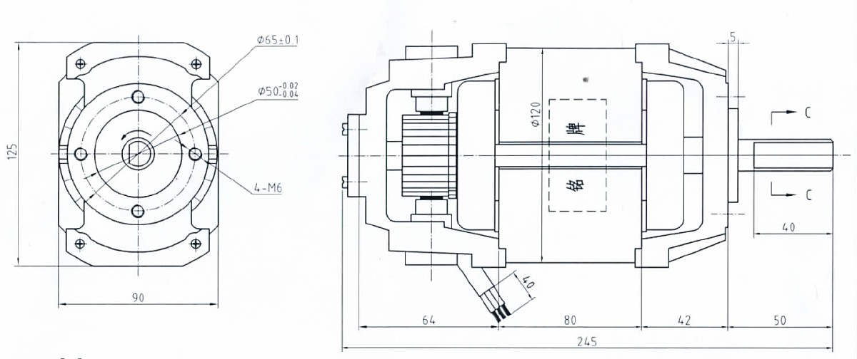
Parámetros de especificación

*Respetamos su confidencialidad y toda la información está protegida.
