
Aplicación
Disyuntor de media y alta tensión / equipo de conmutación de aislamiento de media y alta tensión / equipo de conmutación de puesta a tierra / disyuntor SF6 / disyuntor de vacío de alta tensión / equipo de conmutación de aislamiento GIS
Características
Amplio rango de suministro de energía: El diseño del motor es compatible con sistemas de suministro de energía CA y CC, garantizando un funcionamiento normal incluso en entornos con condiciones de suministro de energía inestables.
Función de operación rápida: Respuesta rápida para cumplir con los requisitos de operación de apertura y cierre rápido de disyuntores y interruptores de aislamiento, garantizando la seguridad y estabilidad del sistema eléctrico.
Diseño de bajo consumo de energía:Adopta un diseño de ahorro de energía para reducir el consumo de energía durante la operación.
Estructura compacta:El diseño compacto facilita la instalación en entornos con espacio limitado, como subestaciones o salas de distribución.
Buena compatibilidad:Los motores suelen diseñarse con interfaces estándar y pueden usarse con muchos tipos de disyuntores y equipos de conmutación.
Fácil mantenimiento:La estructura es simple, fácil de inspeccionar y reemplazar piezas dañadas, reduciendo la complejidad y el costo del mantenimiento.
Ventaja de costo:Dado que no se utilizan imanes permanentes, este tipo de motor generalmente tiene costos de material más bajos. Con el uso a largo plazo, los motores sin imanes permanentes evitan el problema de la atenuación magnética y pueden reducir la frecuencia de mantenimiento y reemplazo, lo que ahorra costos a los usuarios.
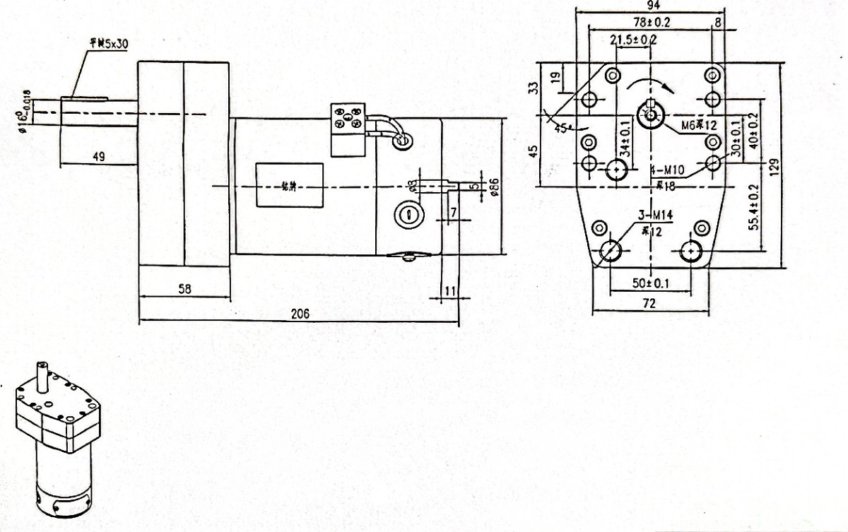
Parámetros de especificación


*Respetamos su confidencialidad y toda la información está protegida.